地址:浙江省台州市三门县浦坝港镇
沿海工业城梦海路
电话:+0086-576-83586777
星空app入口站官网
2021年度环境信息披露说明
披露期间:2021年1月1日-2021年12月31日
披露周期:2021年度
披露范围:位于浙江省台州市黄岩区新前街道乐华路301号的星空app入口站官网
披露形式:以网络版形式公布,公布网址为www.saricipta.com(公司官网)
1 公司概况
星空app入口站官网成立于2000年,专注塑料注射模21余年,注册资本1091.77万元,占地面积100亩,建筑面积4万多平方米,共有员工900余名,2021年总资产8.2亿元,营业收入3.4亿元,实现净利润1900万元,上交税费1500万元,研发费用总额1294万元,2018-2020年被评价方连续三年亩产效益综合评价为A等级。
星空(中国)是中国国内大型精密汽车内外饰件重点注塑模供应商之一,致力成为世界超一流的模具供应商;主导产品是大型汽车保险杠、仪表板、门板等塑料注塑模具,公司是工信部工业强基项目承担单位,国家专精特新重点“小巨人”企业、国家级高新技术企业、国家级知识产权优势示范企业、中国汽车零部件塑料模具重点骨干企业、中国模具出口重点企业、中国大型注塑模具重点骨干企业、优秀模具供应商、浙江省隐形冠军企业、台州市政府质量奖等多项荣誉和等级认定,并建立省级研发中心、省级企业技术中心、智能制造模具省级企业研究院,省工程研究中心等。
星空(中国)主营产品服务宝马、奔驰、沃尔沃、大众、标致等欧系汽车品牌、通用、福特、克莱斯勒等美系汽车品牌、日产、丰田、本田等日系汽车品牌,长城、吉利、比亚迪、上汽乘用车等自主汽车品牌,为FAURECIA、MAGNA、IAC、ANTOLIN、延锋等一级汽车供应商配套。
公司目前在全球设有15家办事处,业务覆盖欧、美、非、亚四大洲,服务国内外企业客户280余家。经过21年的不懈努力,星空(中国)始终秉承“一切以客户为中心”的服务理念,以“高品质、高效率、短周期”的出品,赢得了客户的信赖,成为了高端“中国制造”的代表。
2 环境管理体系建设
公司于2022年按照《ISO14001:2015环境管理体系要求》改版要求,更新并通过了由郎实认证(北京)有限公司对公司ISO14001:2015环境管理体系的再认证,认证时间为2022年8月20日。

3 污染物排放情况
3.1 大气污染物
(1)大气污染物及排放标准
公司大气污染物排放适用标准如下:国家标准(GB16297-1996《大气污染物综合排放标准》)和环境保护行业标准(HJ734-2014《固定污染源废气 挥发性有机物的测定 固相吸附-热脱附/气相色谱-质谱法》)。没有排气筒或排气筒高度低于15m的排放源视为无组织排放。
表1大气污染物国家相关标准
有组织排放 | ||
污染物项目 | 限值 | 标准来源 |
mg/m3 | (GB16297-1996《大气污染物综合排放标准》)和环境保护行业标准(HJ734-2014《固定污染源废气 挥发性有机物的测定 固相吸附-热脱附/气相色谱-质谱法》) | |
苯 | 0.004 | |
甲苯 | 0.004 | |
二甲苯 | 0.009 | |
丙酮 | 0.01 | |
乙酸乙酯 | 0.006 | |
乙酸丁酯 | 0.005 | |
(2)废气排放达标情况
公司委托第三方检测单位台州市绿翼环保检测有限公司进行检测,并出具《废水废气检测报告》(绿翼检测(2022检字第111号),大气污染物排放情况如下表:
表2星空app入口站官网大气污染物排放情况表
类别 | 检测项目 | 结果 | 限额 |
废气 | 非甲烷总烃(最大值) | 0.440mg/m3 | 4.1mg/m3 |
总悬浮颗粒物(最大值) | 0.61mg/m3 | 12mg/m3 | |
限额来源于《大气污染物综合排放标准》(GB16297 -1996)中污染源二级排放标准限值。 | |||



由检测报告得出,公司的大气污染物排放符合相关国家标准,并满足区域内排放总量控制要求,同时,工厂的主要大气污染物排放满足标准中适用的最高等级要求。
3.2 水体污染物
(1)水体污染物及排放标准
公司废水主要为生活废水,食堂废水经隔油处理后和其他生活废水一同进入厂区内化粪池处理达《污水综合排放标准》(GB8978-1996)三级标准后纳入园区污水管网。查阅第三方机构出具的《废水废气检测报告》,公司总排口污染物排放浓度远低于限额值,甚至满足《污水综合排放标准》二级排放标准。根据环评批复,公司只有生活废水,因此没有对废水中的化学需氧量和氨氮总量没有纳入总量控制范围。
(2)水体污染物排放达标情况
公司委托第三方检测单位台州市绿翼环保检测有限公司进行检测,并出具《废水废气检测报告》(绿翼检测(2022检字第111号),公司水体污染物排放情况如下表:
表3星空app入口站官网水体污染物排放情况表
类别 | 检测项目 | 结果 | 限额 |
废水 | COD(最大值) | 235mg/L | 500mg/L |
氨氮(最大值) | 21.4mg/L | 25mg/L | |
总磷(最大值) | 2.26mg/L | 8mg/L | |
石油类(最大值) | 2.91mg/L | 20mg/L | |
悬浮物(最大值) | 46mg/L | 400mg/L | |
注: 1.限额来源于《污水综合排放标准》(GB8978-1996)中污染源三级排放标准限值。 2.总磷限额来源于《工业企业废水氮、磷污染物间接排放限值》(DB33/887-2013)中总磷的排放控制要求。 | |||


由检测报告得出,工厂的水体污染物排放符合相关国家标准以及地方标准要求,并满足区域内排放总量控制要求。同时,工厂的主要水体污染物排放满足标准中适用的二级标准要求。
3.3 固体废弃物
(1)固体废弃物处置标准
公司固体废物主要包括废铁、废塑料、料饼、废纸、铝粉、废石墨、黄铜粉等生产过程的固废、边角料及生活垃圾等。公司产生的固体废物处置按照《中华人民共和国固体废物污染环境防治法》的规定执行。一般工业固废按照《一般工业固体废物贮存、处置场污染控制标准》(GB18599-2001)的规定执行;危险废物在厂内临时贮存时按照《危险废物贮存污染控制标准》(GB18597-2001)的规定执行;危险废物处置按照《中华人民共和国固体废物污染环境防治法》、《浙江省固体废物污染环境防治条例》的规定执行。星空app入口站官网将废电火花油(900-249-08)、废机油(900-214-08)、废包装桶(900-041-49)交付给浙江景蓝科技有限公司处理,油水烃乳化液(900-005-09、900-006-09、900-007-09)交付给浙江绿保再生资源科技有限公司处理。公司产生的危险废物做到“工完料尽场地清”,固废产生部分负责回收,统一规范化贮存,建有固废存放区存放一般工业固废,危废库房存放危险废物,并分区放置,所有废油集中回收于容器内,以避免泄露,危废库房设置警示标志,油品存放处,严禁吸烟,配备足够的消防设施。
(2)固体废弃物处置情况
公司固体废弃物处置情况如下所示:


1)固体废弃物的收集与贮存
公司制定了《环保管理制度》、《危险废物污染防治责任制度》、《危险废物交接管理制度》等管理制度,建有固废存放区存放一般工业固废,危废库房存放危险废物,并分区放置,所有废机油、乳化液等集中回收于容器内,以免泄露,危废库房设置警示标志,油品存放处,严禁吸烟,配备足够的消防设施。
表4 公司固废储藏与处置方法
名称 | 来源 | 堆放场所 | 单独储存 | 处置方式 | 接收单位 |
废制品边角料 | 各工序 | 一般固废堆放场 | 是 | 回收利用 | 废品收购单位 |
废机油、乳化液等 | 各工序 | 危废仓 | 是 | 外运回收 | 浙江绿保再生资源科技有限公司 |
生活垃圾 | 员工生活 | 生活区垃圾桶 | 是 | 外运无害化处理 | 街道统一处理 |
固废存放区
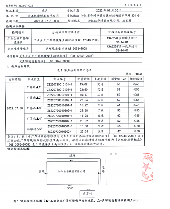
3.4 噪声
(1)噪声及排放标准
公司厂界内生产过程中的噪声源主要有:机械加工设备及通风换气装置等。
公司厂界噪声执行《工业企业厂界环境噪声排放标准》(GB12348-2008)中的3类标准。具体标准见下表:
表5 《工业企业厂界环境噪声排放标准》 单位:dB(A)
类别 | 污染源名称 | 执行标准 | 企业实测值 | ||
标准名称及标准号 | 污染物 | 标准值 | |||
噪声 | 厂界噪声 | 《工业企业厂界环境噪声排放标准》(GB12348-2008)3类 | 昼间 | 65 | 62 |
夜间 | 55 | 52 | |||
(2)噪声污染达标情况
公司采用了如下措施降低噪音的影响:
1、空压机设置独立空压机房;风机采用隔声降噪措施。
2、平时生产中需要加强对各设备的维修、保养,对其主要磨损部位要及时添加润滑油,确保设备处于良好的运转状态,杜绝因设备不正常运转而产生的高噪音现象;
3、厂区加强绿化,以起到降低噪声的作用。
公司委托第三方检测单位台州市台环环境检测科技有限公司进行检测,并出具《检验报告》(报告编号:JZ22-07-22),公司厂界环境噪声检测情况如下图所示:


4 温室气体排放情况
(1)温室气体排放概况
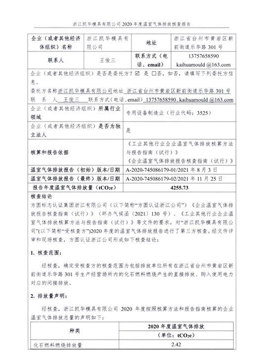
星空app入口站官网依据《工业其他行业企业温室气体排放核算方法与报告指南(试行)》对其厂界范围内的温室气体排放进行了核算和报告,形成了《星空app入口站官网2019-2021年度温室气体排放报告》。







图1 近三年度公司温室气体排放报告
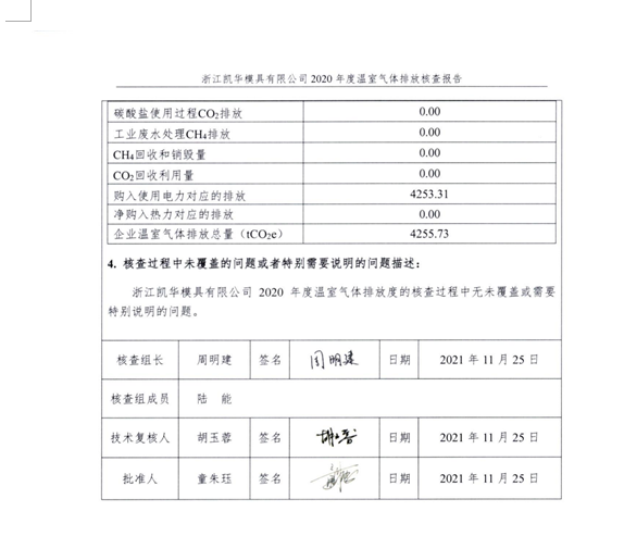
(2)温室气体排放进行第三方核查并对外公布
公司委托第三方核查机构方圆标志认证集团浙江有限公司对其近三年度的温室气体排放量进行了核查,第三方机构向其提供了温室气体排放量第三方核查报告。









图2 近三年度温室气体排放第三方核查报告
公司根据第三方的核查结果,在其网站上进行了公示,具体见下图:


图3 温室气体排放量第三方核查报告网站公示
(3)温室气体排放说明
根据2021年度温室气体排放量的核算结果,星空app入口站官网的化石燃料燃烧排放量为22.52tCO2,工业生产过程排放量0 tCO2,净购入电力产生的排放量为5023.60tCO2,总排放量为5046.12tCO2。星空app入口站官网重视节能减排工作,在生产方面,采取了多项节能改造措施,包括加强管理、合理分配生产资源、合理配置生产工序及生产时间,对生产设备、工艺流程及原材料使用消耗进行技改。
日期:2022年06月01日
8:00-17:00
地址:浙江省台州市黄岩区新前街道乐华路301号
电话:+0086-576-84025727
地址:浙江省台州市三门县浦坝港镇
沿海工业城梦海路
电话:+0086-576-83586777
地址:浙江省台州市黄岩区新前街道乐华路301号
电话:+0086-576-89190385
地址:上海市杨浦区市光路728号810室
电话:+0086-021-52163915
扫一扫 关注星空(中国)